9.雙繞組電抗分流交流發電機并列運行時無功輸出不穩
(1)故障現象。雙繞組電抗分流發電機并列運行時無功輸出不穩,相互搶無功,無法穩 定運行。
(2)原因分析。雙繞組電抗分流發電機一般副繞組滯后主繞組電角度10°,相補償作用強,使發電機的外特性(即發 電機電壓UG隨電流IG變化的特性)下凹上拱,如圖3-265所示。而不同發電機的外特性不一致,又無調差裝置供調節用,因此造成并列運行無功輸出不穩,無功分配困難。


(3)處理方法
①改變主、副繞組的相位,減弱相補償作用,使發電機外特性變軟,以適應并列運行。常見的接線方法有:一是將副繞組的頭、尾對調,如圖3-266所示。此種接法,并列運行時無沖擊電流,有功轉移正常,但無功輸出小,cosφ只能在0.95?1變化,且cosφ減小時發電機端電壓下降快,起動大容量電動機困難,單機運行不好;二是將副繞組頭、尾和相序調換,如圖3-267所示。此種接法,并列運行無沖擊電流,無功功率轉移正常,cosφ能在0.5?1變化,運行良好。由于主、副繞組相位變化,會使勵磁電流增大,電壓上升,需適當調節電抗器氣隙及匝數比, 調節得當能使cosφ=0. 7?0.9時,電壓調整率接近或等于±5%。但在cosφ減小時,電壓下降快,單機運行不好。
②在并列運行的雙繞組電抗分流發電機的勵磁繞組間加均衡電阻。
③改變電抗器抽頭,減少初級繞組的匝數,增加次級繞組的匝數,使發電機外特性 變軟。
以上各方法雖能滿足并列運行要求,但都不是解決問題的根本方法。最好方法是對原機組進行技術改造,即在原不可控雙繞組電抗分流勵磁裝置加接可控硅勵磁調節器(應有調差裝置),這樣可增加發電機整定范圍,改變發電機的外特性,以滿足并列運行且無功穩定與合理分配的需要。
10.雙繞組電抗分流交流發電機并網困難
(1)故障現象
①發電機端電壓調不到與電網電壓一致,無法并網,強行并網時,沖擊電流大。
②發電機并入電網時,定子電流一直上升,無法控制,嚴重時斷路器跳閘。發電機的勵磁電流時而上升至最大,時而下降到接近于0,當勵磁電流降到0時,調節勵磁無任何 作用。
(2)原因分析
①雙繞組電抗分流發電機電壓整定范圍不夠,難以適應電壓幅度變化大的電網。
②發電機相復勵作用過強,并網時出現過補償。雙繞組電抗分流發電機也是一種相復勵發電機。發電機勵磁電流的電壓分量由發電機副繞組提供,而電流分量則由發電機定子電流經分流電抗器直接反饋。
當雙繞組電抗分流發電機并網時,如果發電機端電壓U1大于電網電壓U2時,有一電 壓差ΔU出現,其方向與U1 —致。在ΔU的作用下,產生電流ΔI,ΔI滯后U1 90°。U1、U2、ΔU矢量圖如圖3-268a所示。發電機向電網輸出感性無功電流,這電流產生兩個作用:一是它的電樞反應對發電機起去磁作用;二是起相復勵作用,增加發電機的勵磁電流。如果相復勵作用過強,后者的作用將超過前者,使發電機感應電勢增大,U1升高,而U1升髙又將使ΔI增大。如此反復循環,
使發電機定子電流和勵磁電流越來越大,發電機處于深過激狀 態,嚴重時斷路器跳閘,無法并網運行。
相反,當發電機端電壓U1小于電網電壓U2時,則ΔU 的方向與U2—致,產生的電流ΔI越前U1電角度90°,如圖 3-268b所示。發電機向電網吸取無功電流(相當帶容性負載),此電流的作用,一方面電樞反應對發電機起助磁作用,另一方 面起相復勵作用,使發電機勵磁電流減小。同樣,當相復勵作用過強時,后者作用將超過前者,使發電機感應電勢減小,U1下降,又將使ΔI進一步增大。如此反復循環,使發電機定子電流越來越大,勵磁電流越來越小,發電機處于深欠勵狀態,此時勵磁功率不足,調勵磁不起作用。

(3)處理方法
①加大發電機電壓整定范圍,一方面可適當增加電抗器的氣隙,減小其電抗值,增加勵 磁電流,提高電壓整定值的上限;另一方面可適當減小限流電阻R1 (見圖3-269)阻值,降 低電壓整定值的下限,從而加大電壓整定范圍,以適應并網的需要,減少并網沖擊電流。
同時為避免并網時出現深欠勵,并網時應使待并發電機電壓略高于電網電壓(高3?5V)。并網后,出現發電機電流迅速上升、勵磁電流下降趨勢時,要調節(增加)勵磁電流,提高發電機電壓,使發電機電流下 降。若已出現深欠勵,則應先增加有功功率,然后再增加勵磁電流。
②減弱相復勵作用。其方法有:減少電抗器一次繞組L1的匝數或增加二 次級繞組L2的匝數,也可采用中性點外移法并網,其接線如圖3-269所示。 操作方法如下:合上開關Q2,分開開關Q1,使發電機滿足準同期并網條件, 并使發電機電壓高于電網電壓3?5V。 然后打開開關Q2,合上開關Q1,按準 同期并網方法并網(即并網時不投入電 流復勵)。最后打開關Q1,合上開關Q2.向電網送電。
11.可控勵磁調節雙繞組電抗分流發電機并網運行有功功率振蕩
(1)故障現象:發電機空載和單機運行性能良好,運行穩定,但并網運行帶有功負荷 后,機組開始振蕩,且隨負荷增加振蕩加劇,電流表、功率因數表和有功表表針均產生同期 性擺動。
(2)原因分析
①發電機勵磁調節器是負反饋系統,但由于從其測量比較環節到發電機轉子繞組之間存在很大的電磁慣性,使反饋量發生移相,如果反饋的相位和反饋量大小不適當,有可能使負反饋變成正反饋而產生振蕩。
②雙繞組電抗分流發電機一般是小型發電機,無阻尼繞組,如果復勵作用過強,則快速 的定子電流正反饋將可能產生負阻尼轉矩,導致有功功率振蕩加劇。
(2)處理方法
①改變勵磁系統主回路的反饋參數,如加大電抗器氣隙、增大電抗器L2的匝數,減少L1的匝數,以改變反饋相位,減弱復勵作用,能較有效地改善有功功率振蕩問題。
②減少勵磁調節器的放大倍數。減少勵磁調節器 的放大倍數有利于抑制功率振蕩,其方法見圖3-270,即在放大器中選用放大倍數較小的晶體三極管作為放 大管,或適當減小放大管的集電極電阻RC和增加發 射極電阻RE來減小放大倍數,也可以用降低測量比 較橋的靈敏度來降低勵磁調節器的放大倍數。
③加校正環節(積分延時電路)??稍诜糯笃鞯募姌O電阻RC上并接R1、C1,也可在測量橋放大器之間加入R、C2,如圖3-270中虛線所示,其作用是對測量橋測得的機端信號進行延時,使放大器的輸出電壓UOUT變成較平滑的漸變過程,相當于對測量信號加以移相,使勵磁調節器不至于由負反饋變成正反饋,從而消除振蕩。
12.交流發電機并列運行時增加勵磁電流,有時定子電流反而減小
(1)故障現象。發電機并列運行時,未調內燃機油門增加轉速,即發現定子電流較大。 為減少定子電流,調節磁場變阻器以減小勵磁電流,發現定子電流增大,相反,增加勵磁電流定子電流反而減小。
(2)原因分析。在正常情況下,當發電機所帶的負荷為電阻、電感性負荷時,增加發電機的勵磁電流,定子電流應增大,相反時應減小。出現上述現象主要原因是并列時待并發電機的端電壓偏低,并列后發電機進相運行,即相當于帶容性負荷。因此,這時減小勵磁電 流,無功進相增加,定子電流增大。相反,增加勵磁電流,無功進相減小,所以定子電流反 而減小。如果機組裝有勵磁電流表,將會發現此時的勵磁電流小于發電機的空載勵磁電流。 隨著勵磁電流的增大,定子電流逐漸減小至零后(此時勵磁電流達空載勵磁電流),再增大 勵磁電流,則發電機定子電流增大。
(3)處理方法
①并列運行前,應將待并發電機的端電壓調至等于或略大于系統電壓,避免并列后進相 運行。
②當出現進相運行時,要增大勵磁電流,使定子電流減小。若減小勵磁電流,將會使發電機定子電流增大,嚴重時發電機由于欠勵將發生振蕩或因過電流而跳閘。
13.無刷交流發電機并列運行時,定子電流、無功輸出突然增大
(1)故障現象。無刷發電機并列運行,定子電流、無功功率突然增大,交流勵磁機的勵磁電流、勵磁電壓猛增,勵磁調節失效。
(2)原因分析。由于無刷發電機交流勵磁機的勵磁功率小,勵磁調節器通常使用單結晶體管觸發電路(見圖3-53),因此上述現象主要是由于可控硅勵磁調節器故障所致。
①單相半可控整流橋可控硅1VS或2VS正向轉折電壓下降,造成失控,使交流勵磁機勵磁電流猛增。
②三極管VT1損壞,造成發射極與集電極間短路,使得向C4充電電阻變小,可控硅開放角變大,可控硅整流器輸出電流變大。
③放大管VT2損壞,造成發射極與集電極間短路,使放大器輸出最大(即R5兩端輸出電壓最高),三極管VT1發射極與集電極間電阻最小,可控硅開放角最大,輸給交流勵磁機勵磁電流最大。
④穩壓管VD7 (或VD8) 開路(穩壓管損壞或斷腳),使放大管VT2輸入電壓增加, 放大器輸出增大,因而使可控硅整流橋輸出的勵磁電流增大。
⑤測量回路故障,如測量變壓器一次、二次繞組斷線(或短路),整流二極管VD1? VD6個別損壞或脫焊、斷腳等,造成測量橋輸出電壓下降,勵磁調節器進行自動調節,必然引起勵磁電流增加。
(3)處理方法
①檢査可控硅1VS、2VS正向阻斷電壓有否下降。檢査時應先斷開可控硅控制極及可控硅整流橋交、直流側的外接線,然后在直流側接入調試電阻,并在可控硅整流橋交流側通過調壓器接入交流電壓。將交流電壓從0V慢慢增加到可控硅整流橋交流側額定值,若在升壓過程中,可控硅突然導通,則說明其正向阻斷電壓已嚴重下降,不能使用,應換上好的可控硅。
②檢查三極管VT1、VT2,穩壓管VD7、VD8,二極管VD1?VD6有否損壞,并更換 已損壞的元件。穩壓管的檢査方法與一般二極管的檢査方法相同,此時只要將穩壓管的正、 負極看作一般二極管的正、負極即可。三極管的檢査最好用晶體管測試儀,若無測試儀,也可根據晶體管簡易測試法進行檢査。
③檢查測量變壓器TM主、副繞組有否短路、斷路,外接線有否松動或斷線,若有加以處理。
14.交流并列運行中可控硅勵磁調節器失控
(1)故障現象。當發電機空載升壓時,發電機電壓、勵磁電壓和勵磁電流突然猛增,并列運行時勵磁電壓、電流和無功功率猛增。
(2)原因分析??煽毓鑴畲耪{節器的續流管開路 或通態正向電阻變大,脈沖突然消失,可控硅維持電流太小,正向阻斷電壓下降。因為可控硅整流橋的負載——發電機轉子是個大電感,通過它的電流是不能突變的。發電機運行中,當可控硅整流橋輸出的電壓過零時,轉子將產生一個與勵磁電壓極性相反的反電勢,通過續流管VD和二極管及未關斷的可控硅(如 W相二極管3和可控硅6)續流(如圖3-271虛線所示),續流電流I=I1+I2。在正常情況下,由于續流管的通態正向電阻小,續流電流基本上從續流管通過,流過二極管和未關斷可控硅的續流電流I2很小。但若續流管開路或通態正向電阻大,則續流電流全部或大部分從W相可控硅流過。當續流電流I2大于可控硅的維持電流時,可控砘將繼續導通.直至U相可控硅導通, 強迫其換相才能關斷。但此時若三相脈沖(或U相脈沖)突然消失,則W相可控硅關不斷,將一直導通到承受來自電源的正向電壓,接著全導通。如此循環,使可控硅完全失控, 成為不可控整流。
(3)處理方法。機組在并列運行時,由于電網電跌落,進行強勵時的現象與失控有相
同之處,此時應先分清是強勵還是失控。可先將發電機從“自動”運行切至“手動”運行, 若運行正常,說明是強勵,不是失控,不必處理。若切至“手動”還不行,則應停機處理。
①換用正向壓降?。赐☉B正向電阻小)的續流管,并確保續流回路接觸良好。
②檢査可控硅控制極接線有否松動或斷線,脈沖環節是否正常工作,査出脈沖丟失原 因,并加以排除。
③換用正向阻斷電壓合格和維持電流較大的可控硅元件,
15.并列運行中帶可控硅勵磁調節器發電機欠勵或失磁
(1) 故障現象。并列運行中,發電機勵磁電壓突然下降,無功電流進相,出現振蕩。
(2) 原因分析
①如圖3-53所示,測量回路比較橋穩壓管VD7、VD8或放大管VT2損壞,使可控硅導通角關至最小,發電機勵磁電流不足(欠勵)。
②單結晶體管VD16短路,輸出電壓為零,致使脈沖信號消失,可控硅VS不導通,使發電機勵磁電流為零(即失磁)。
③主回路快速熔斷器熔斷,或整流元件損壞(斷路),使可控硅整流橋輸出勵磁電壓減小或輸出為零。
④續流管5VD擊穿,造成勵磁回路短路,勵磁電壓為零。
(3) 處理方法
①將發電機從“自動”運行切換至“手動”運行,若故障消除,則證明問題確實出在比較橋穩壓管VD7或VD8及放大管VT2上。停機后,査出損壞元件并更換。
②用萬用表R×lk擋檢査單結晶體管VD16 E極與Bl、B2極間正、反向電阻,若測得 阻值均為零,則說明DV16短路,應予更換。
③用萬用表500V交流電壓擋測量可控硅整流橋交流側和快速熔斷器兩端的電壓,若測得可控橋交流側有電壓,而快速熔斷器兩端無電壓(或電壓非常小),則說明快速熔斷器是好的;若有較高電壓,則說明快速熔斷器已熔斷,應予更換。若快速熔斷器是好的,則要在停機后,檢查整流橋,更換損壞的元件。
④用萬用表檢査續流管5VD有否擊穿短路,若已短路,則應更換。
16.帶可控硅勵磁調節器交流發電機并網后帶無功時,定子電流一直上升
(1) 故障現象。發電機并網后正常,帶有功也正常,但一帶無功,定子電流就一直上 升,穩定不下來,有時直至斷路器跳閘。
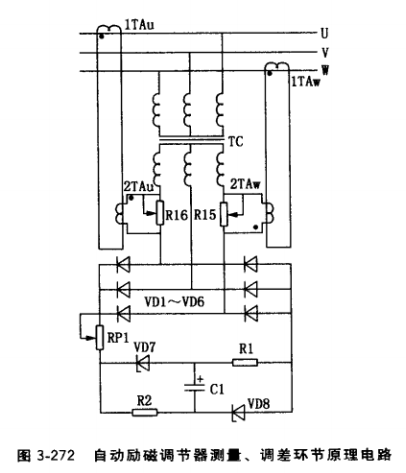
(2) 原因分析??煽毓鑴畲耪{節器為了使發電機在并網運行時能合理分配無功,一般都 設有調差裝置,在接線上有單相調差、兩相調差和三相調差等。下面就以兩相調差為例說明接線錯誤引起無功電流一直上升的原因。圖3-272是勵磁調節器的測量、調差環節(調節器電路見圖3-53) 測量變壓器TC和測量橋VD1?VD6等組成了調節器的電壓測量環節。當發電機電壓上升時,測置橋輸出信號增大,此信號與比較橋(由R1、R2和VD7、VD8組 成)比較和放大器放大后,將使觸發脈沖后移,勵磁電流減小,從而使發電機電壓下降,恢復到接近原來的電壓值。相反,將使發電機端電壓增加,以維持發電機端電壓在一定范圍內。
如果調差電流互感器極性接錯,接成負調差,且調差電阻調到阻值大的位置,調差系數 大,則并網后帶上無功(感性的)時,由于調差裝置作用,勵磁系統將產生正反饋調節,隨無功電流增大,勵磁電流也增大,又使無功電流進一步增大,如此循環使無功電流一直上升,直至斷路器跳閘。當發電機端電壓高于電網電壓時,一并網就可能發生這種故障現象。 但由于調差裝置對電阻負載基本不起作用,所以并網后帶有功時運行正常。
(3)處理方法。第一次并網時,應先將調差整定開關撥至0擋(即調差電阻值為0), 并網后帶上部分無功(感性),然后將整定開關撥至1擋或2擋(增加調差電阻值),若此時 無功電流減小,則為正調差,說明電流互感器接線正確。若無功電流增加,則為負調差,說 明電流互感器極性接錯,應退出并網,停機,改變調差電流互感器的接線極性,即將電流互感器1TAU、1TAW (或2TAU、2TAW )的一次側(或二次側)兩根外接線同時調換一下即可。





